Piston rod ball joint FJ11 series
Piston rod ball joint FJ11 series
Piston rod ball joint FJ11 series
Piston rod ball joint FJ11 series

Piston rod ball joint FJ11 series

Inquire NOW PDF

Piston rod ball joint FJ11 series

Inquire NOW PDF

How to order

Parameter

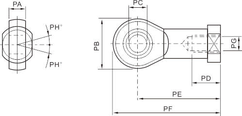
Dimensions

Get in Touch

点击刷新验证码图片
×